Flödesdelande i två eller mer lika delflöden med hög noggrannhet
Produktbeskrivningav gjutjärnsutrustningsflödesdelare
Funktionen för hydraulisk flödesdelare är att distribuera oljeflödet i det hydrauliska systemet för att uppnå synkron verkan av ställdonet, reglera flödet och skydda systemet.
Dess kärnprincip är att kompensera oljeflödet genom tryck eller distribuera den positiva förskjutningen genom den inre strukturen (såsom växel eller ventilkärna) för att säkerställa flödesbalansen i varje gren.


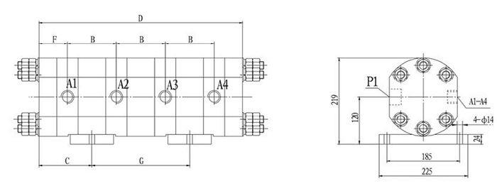
Kontur och installationsdimensionsteckning (utan ventil)


Hur man bekräftar modellen
1. Mängden inlopp och utlopp
2. Flödeshastighet för inlopp eller utlopp
3. Tryck

Populära Taggar: Flödesdelande i två eller mer lika delar flöden med hög noggrannhet, Kina, tillverkare, leverantörer, pris, Hög viskositetspump för ånghantering, Högviskositetspumpstillverkare, Termiskt isolerad växelpump för bioenergiproduktion, redskapsproduktion, inre växelpump, pumpoperation
Du kanske också gillar
Skicka förfrågan















